防水开关6x6 DIP侧插,硅胶,3.5H,TS-66B4FS-EXX-YZ,白色/红色,320gf,TS-66B4FS-E35-3W,Waterproof Switch,IP67
CIB编号:60109033
产品料号:TS-66B4FS-EXX-YZ,TS-66B4FS-E35-3W
市场类似型号:防水侧插轻触开关,防水开关,硅胶防水开关,防水侧插6.2*6.2,防水6*6,防水开关6X6
尺寸图(pdf):点击预览或下载
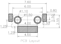
PCB图(dxf): 点击下载(密码请联系在线客服,或邮件索取)
规格书:点击下载
3D图:点击下载
在线查看图纸:
Product Specification
|
电气 |
|
|
Current Rating |
0.5A |
|
Voltage Rating |
10V |
|
Contact Resistance |
100m Ohms |
|
Insulation Resistance |
100M Ohms |
|
Withstanding Voltage |
500V AC |
|
机械 |
|
|
Operating Force |
320/250/......(±50gf) |
|
Operating Temp |
-20~+70℃ |
|
Durability Life |
10000Cycles |
|
材料 |
|
|
Metal |
Copper Alloy |
|
Plating |
Sn |
|
Plastic |
PPA |
|
备注 |
|
产品卖点:此款产品性能稳定,品质保证,防水等级IP67。
