page contents RJ45无灯,2X2,8P8C,DIP90度有/无弹片,双层,20411001,RJ5-C14,,Modular Jack,Modular Connectors(RJ45)-东莞市世宝电子有限公司 官网|连接器|连接线|CIB ELE
首页    RJ45 & RJ11    RJ45多口不带灯    RJ45无灯,2X2,8P8C,DIP90度有/无弹片,双层,20411001,RJ5-C14,,Modular Jack,Modular Connectors(RJ45)

RJ45无灯,2X2,8P8C,DIP90度有/无弹片,双层,20411001,RJ5-C14,,Modular Jack,Modular Connectors(RJ45)

CIB编号:20411001
产品料号:RJ5-C14

市场类似型号:网络插座,RJ45插座,RJ45 Jack,RJ45接口,RJ45连接器,RJ45带灯,RJ45带屏蔽,59B,无弹片,带弹片,双层RJ45

 


尺寸图(pdf):点击预览或下载
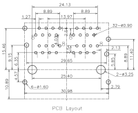
PCB图(dxf): 点击下载(密码请联系在线客服,或邮件索取)

规格书:点击下载
3D图:点击下载


Product  Specification

电气

 

Current Rating

1.5A

Voltage Rating

125V

Contact Resistance

30m Ohms

Insulation Resistance

500M Ohms

Withstanding Voltage

1000V AC

机械

 

Insertion Force

 

Extraction Force

 

Operating Temp

 

Durability Life

 

材料

 

Metal

Copper Alloy/SPCC

Plating

Gold/Sn

Plastic

PBT/LCP

  备注

 


产品卖点:此款连接器性能稳定,无弹片和有弹片均可生产。

 

  • 回到顶部
  • 076982828565
  • QQ客服
  • 微信二维码