page contents RJ45千兆带滤波带LED灯,Tab Down,10P10C,灯脚4.06,左绿右黄,RJ5-C32-19S,20416007,1G Base-T Magnetics Module,Modular/Ethernet Connector (RJ45) Jacks With Magnetics,With Trasformer 1000Mbps-东莞市世宝电子有限公司 官网|连接器|连接线|CIB ELE
首页    RJ45 & RJ11    RJ45带滤波器    RJ45千兆带滤波带LED灯,Tab Down,10P10C,灯脚4.06,左绿右黄,RJ5-C32-19S,20416007,1G Base-T Magnetics Module,Modular/Ethernet Connector (RJ45) Jacks With Magnetics,With Trasformer 1000Mbps

RJ45千兆带滤波带LED灯,Tab Down,10P10C,灯脚4.06,左绿右黄,RJ5-C32-19S,20416007,1G Base-T Magnetics Module,Modular/Ethernet Connector (RJ45) Jacks With Magnetics,With Trasformer 1000Mbps

CIB编号:20416007
产品料号:RJ5-C32-19S

市场类似型号:RJ45带滤波器,带变压器,内置滤波器,千兆RJ45,1G网口,1000Mbps插座,RJ45带屏蔽

 

尺寸图(pdf):点击预览或下载
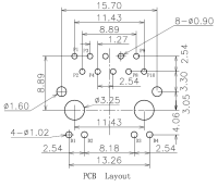
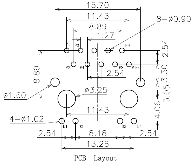
PCB图(dxf): 点击下载(密码请联系在线客服,或邮件索取)

规格书:点击下载
3D图:点击下载


Product  Specification

电气

 

Current Rating

1.5A

Voltage Rating

125V

Contact Resistance

30m Ohms

Insulation Resistance

500M Ohms

Withstanding Voltage

1000V AC

机械

 

Insertion Force

 

Extraction Force

 

Operating Temp

 

Durability Life

 

材料

 

Metal

Copper Alloy/SPCC

Plating

Gold/Sn

Plastic

PBT/LCP

  备注

 


产品卖点:此款连接器内置滤波器,品质稳定。

 

  • 回到顶部
  • 076982828565
  • QQ客服
  • 微信二维码