page contents CR2032电池座,SMD两脚,CR2032-S12,沉板2.95H,CR2032 BATTERY HOLDER,Mid Mounting-东莞市世宝电子有限公司 官网|连接器|连接线|CIB ELE
首页    电池座    纽扣电池座    CR2032电池座,SMD两脚,CR2032-S12,沉板2.95H,CR2032 BATTERY HOLDER,Mid Mounting

CR2032电池座,SMD两脚,CR2032-S12,沉板2.95H,CR2032 BATTERY HOLDER,Mid Mounting

CIB编号:30400004
产品料号:CR2032-S12

市场类似型号:纽扣电池连接器,圆形电池座,CR2032,锂电池座,遥控电池座,内存保护设备用电池座

 


尺寸图(pdf):点击预览或下载
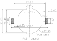
PCB图(dxf): 点击下载(密码请联系在线客服,或邮件索取)

规格书:点击下载
3D图:点击下载


Product  Specification

电气

 

Current Rating

0.5A

Voltage Rating

5V

Contact Resistance

30m Ohms

Insulation Resistance

100M Ohms

Withstanding Voltage

500V AC

机械

 

Insertion Force

 

Extraction Force

 

Operating Temp

 

Durability Life

 

材料

 

Metal

Copper Alloy

Plating

Gold/Sn

Plastic

PBT/LCP

  备注

 


产品卖点:此款电池座性能稳定,沉板结构,节约空间。

 

  • 回到顶部
  • 076982828565
  • QQ客服
  • 微信二维码