page contents 弹片式电池座2.5-4P 侧压式,7.0H,BCM-250-70B75-04,30202001,BCM-250-XXB75-04,5.4H/6.0H/7.0H,SPRING BATTERY 4POS SMD-东莞市世宝电子有限公司 官网|连接器|连接线|CIB ELE
首页    电池座    2.5PH    弹片式电池座2.5-4P 侧压式,7.0H,BCM-250-70B75-04,30202001,BCM-250-XXB75-04,5.4H/6.0H/7.0H,SPRING BATTERY 4POS SMD

弹片式电池座2.5-4P 侧压式,7.0H,BCM-250-70B75-04,30202001,BCM-250-XXB75-04,5.4H/6.0H/7.0H,SPRING BATTERY 4POS SMD

CIB编号:30202001
产品料号:BCM-250-70B75-04

市场类似型号:弹片电池座 2.5 4PIN,电池座5.4H,电池座6.0H,电池座7.0H,BC-75-4PD

 


尺寸图(pdf):点击预览或下载
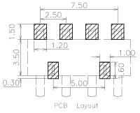
PCB图(dxf): 点击下载(密码请联系在线客服,或邮件索取)

规格书:点击下载
3D图:点击下载


Product  Specification

电气

 

Current Rating

2A

Voltage Rating

12V

Contact Resistance

50m Ohms

Insulation Resistance

100M Ohms

Withstanding Voltage

500V AC

机械

 

Insertion Force

 

Extraction Force

 

Operating Temp

 

Durability Life

 

材料

 

Metal

Copper Alloy/Pe-cu

Plating

Gold/Sn

Plastic

LCP

  备注

0.5KPCS/Reel


产品卖点:此款电池座性能稳定,有不同PIN数,高度有5.4H,6.0H,7.0H。

 

  • 回到顶部
  • 076982828565
  • QQ客服
  • 微信二维码