page contents HDMI AF 19Pin侧立插件,带定位柱,20201004-东莞市世宝电子有限公司 官网|连接器|连接线|CIB ELE
首页    其他连接器    HDMI座    HDMI AF 19Pin侧立插件,带定位柱,20201004

HDMI AF 19Pin侧立插件,带定位柱,20201004

CIB编号:20201004
产品料号:20201004

市场类似型号:高清接口,HDMI侧插,A型母座侧插,HDMI侧立,立式HDMI母座

 


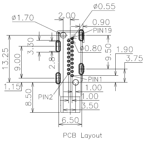
尺寸图(pdf):点击预览或下载
PCB图(dxf): 点击下载(密码请联系在线客服,或邮件索取)

规格书:点击下载
3D图:点击下载


Product  Specification

电气

 

Current Rating

0.5A

Voltage Rating

40V

Contact Resistance

30m Ohms

Insulation Resistance

100M Ohms

Withstanding Voltage

500V AC

机械

 

Insertion Force

4.5Kgf Max

Extraction Force

1~4Kgf

Operating Temp

-20~+70℃

Durability Life

10000Cycles

材料

 

Metal

Copper Alloy/SPCC

Plating

Gold/Sn

Plastic

LCP

  备注

500PCS/Reel


产品卖点:此款侧立式,节约PCB空间。

 

  • 回到顶部
  • 076982828565
  • QQ客服
  • 微信二维码