page contents HDMI AF SMD 19Pin,固定脚插件,无凸点,HD-2T8-G0L-00D1,20201001-东莞市世宝电子有限公司 官网|连接器|连接线|CIB ELE
首页    其他连接器    HDMI座    HDMI AF SMD 19Pin,固定脚插件,无凸点,HD-2T8-G0L-00D1,20201001

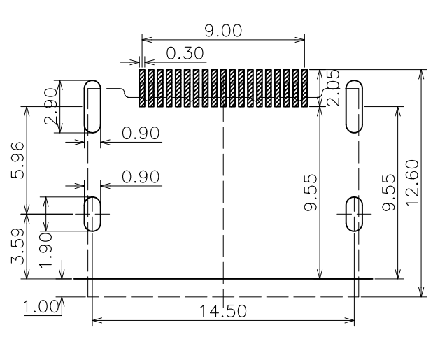
HDMI AF SMD 19Pin,固定脚插件,无凸点,HD-2T8-G0L-00D1,20201001

CIB编号:20201001
产品料号:HD-2T8-G0L-00D1

市场类似型号:高清接口,HDMI母座,HDMI A型母座,HDMI 19PIN母座,无凸点,小凸点,HDMI铜壳

 


尺寸图(pdf):点击预览或下载
PCB图(dxf): 点击下载(密码请联系在线客服,或邮件索取)

规格书:点击下载
3D图:点击下载


Product  Specification

电气

 

Current Rating

 

Voltage Rating

 

Contact Resistance

20m Ohms

Insulation Resistance

100M Ohms

Withstanding Voltage

200V AC

机械

 

Insertion Force

 

Extraction Force

 

Operating Temp

-20~+70℃

Durability Life

 

材料

 

Metal

Copper Alloy/Phosphor Bronze

Plating

Gold/Sn

Plastic

LCP

  备注

500PCS/Reel


产品卖点:此款连接器接触良好。

 

  • 回到顶部
  • 076982828565
  • QQ客服
  • 微信二维码