page contents USB 3.0 AF 沉板DIP90,板上2.86H,短体L=13.05mm,无卷边,蓝胶,20104019,UF-C28C0-东莞市世宝电子有限公司 官网|连接器|连接线|CIB ELE
首页    USB3.2    USB3.2 AF沉板    USB 3.0 AF 沉板DIP90,板上2.86H,短体L=13.05mm,无卷边,蓝胶,20104019,UF-C28C0

USB 3.0 AF 沉板DIP90,板上2.86H,短体L=13.05mm,无卷边,蓝胶,20104019,UF-C28C0

CIB编号:20104019
产品料号:UF-C28C0

市场类似型号:USB3.0母座,沉板2.85,沉板2.86,USB3.0沉板,沉板短体,短体13mm

 


尺寸图(pdf):点击预览或下载
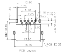
PCB图(dxf): 点击下载(密码请联系在线客服,或邮件索取)

规格书:点击下载
3D图:点击下载


Product  Specification

电气

 

Current Rating

2A

Voltage Rating

5V

Contact Resistance

50m Ohms

Insulation Resistance

100M Ohms

Withstanding Voltage

500V AC

机械

 

Insertion Force

4.5Kgf Max

Extraction Force

0.7Kgf Min

Operating Temp

-20~+70℃

Durability Life

 

材料

 

Metal

Copper Alloy/SPCC

Plating

Gold/Sn

Plastic

LCP/PBT

  备注

 


产品卖点:此款USB3.0 Socket沉板2.3H,节约空间高度。 

  • 回到顶部
  • 076982828565
  • QQ客服
  • 微信二维码