page contents USB 3.0 AF DIP180,L=11.5mm,无卷边,蓝色塑胶,UF-21D-A053,20104012,L=10.5mm,L=15.0mm,L=13.7mm-东莞市世宝电子有限公司 官网|连接器|连接线|CIB ELE
首页    USB3.2    USB3.2 AF DIP180    USB 3.0 AF DIP180,L=11.5mm,无卷边,蓝色塑胶,UF-21D-A053,20104012,L=10.5mm,L=15.0mm,L=13.7mm

USB 3.0 AF DIP180,L=11.5mm,无卷边,蓝色塑胶,UF-21D-A053,20104012,L=10.5mm,L=15.0mm,L=13.7mm

CIB编号:20104012
产品料号:UF-21D-A053

市场类似型号:USB3.0母座 直插DIP180,有卷边/无卷边,11.5L,10.5L,15.0L,13.7L

 


尺寸图(pdf):点击预览或下载
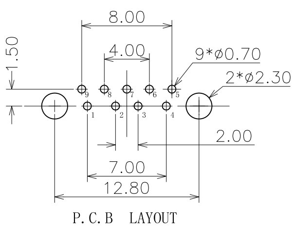
PCB图(dxf): 点击下载(密码请联系在线客服,或邮件索取)

规格书:点击下载
3D图:点击下载


Product  Specification

电气

 

Current Rating

2A

Voltage Rating

5V

Contact Resistance

50m Ohms

Insulation Resistance

100M Ohms

Withstanding Voltage

500V AC

机械

 

Insertion Force

4.5Kgf Max

Extraction Force

0.7Kgf Min

Operating Temp

-20~+70℃

Durability Life

 

材料

 

Metal

Copper Alloy/SPCC

Plating

Gold/Sn

Plastic

LCP/PBT

  备注

 


产品卖点:此款USB3.0 Socket性价比高。 

  • 回到顶部
  • 076982828565
  • QQ客服
  • 微信二维码