首页
ꄲ
USB3.2
ꄲ
USB3.2 AF SMD
ꄲ
USB 3.0 AF SMD,L=14.45mm,有卷边,全贴,蓝色塑胶,UF-21A-0X41,UF-21A-0041,UF-21A-0141,20104018,20104001
USB 3.0 AF SMD,L=14.45mm,有卷边,全贴,蓝色塑胶,UF-21A-0X41,UF-21A-0041,UF-21A-0141,20104018,20104001
CIB编号:20104001,20104018
产品料号:UF-21A-0041,UF-21A-0141,UF-21A-0X41
市场类似型号:USB3.0母座,USB3.0母座 贴片,AF板上SMT 14.45,全贴USB3.0,USB 3.0 AF,全贴USB3.0
尺寸图(pdf):点击预览或下载
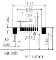
PCB图(dxf): 点击下载(密码请联系在线客服,或邮件索取)
规格书:点击下载
3D图:点击下载
Product Specification
|
电气 |
|
|
Current Rating |
2A |
|
Voltage Rating |
5V |
|
Contact Resistance |
50m Ohms |
|
Insulation Resistance |
100M Ohms |
|
Withstanding Voltage |
500V AC |
|
机械 |
|
|
Insertion Force |
4.5Kgf Max |
|
Extraction Force |
0.7Kgf Min |
|
Operating Temp |
-20~+70℃ |
|
Durability Life |
|
|
材料 |
|
|
Metal |
Copper Alloy/SPCC |
|
Plating |
Gold/Sn |
|
Plastic |
LCP/PBT |
|
备注 |
|
产品卖点:此款USB3.0 Socket性价比高。
