page contents M2 H4.2 Key M, Socket 0.5-67Pin,NGFF-067-42M,11000019-东莞市世宝电子有限公司 官网|连接器|连接线|CIB ELE
首页    其他连接器    NGFF(M2)    M2 H4.2 Key M, Socket 0.5-67Pin,NGFF-067-42M,11000019

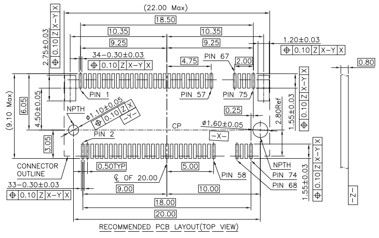
M2 H4.2 Key M, Socket 0.5-67Pin,NGFF-067-42M,11000019

CIB编号:11000019
产品料号:NGFF-067-42M

市场类似型号:M2插座,M.2 4.2H,2.3H,3.2H,4.8H,5.5H,6.7H,8.5H,NGFF固态硬盘连接器,H=4.2,M2连接器,NGFF插座,NGFF连接器,H4.05,M.2 (NGFF) Mini Card

 


尺寸图(pdf):点击预览或下载
PCB图(dxf): 点击下载(密码请联系在线客服,或邮件索取)

规格书:点击下载
3D图:点击下载


Product  Specification

电气

 

Current Rating

0.5A

Voltage Rating

50V

Contact Resistance

30m Ohms

Insulation Resistance

500M Ohms

Withstanding Voltage

500V AC

机械

 

Insertion Force

2.04Kgf Max

Extraction Force

0.7Kgf Min

Operating Temp

-20~+70℃

Durability Life

60 Cycles

材料

 

Metal

Copper Alloy

Plating

Gold/Sn

Plastic

LCP

  备注

 


产品卖点:此款插座性能稳定。

 

  • 回到顶部
  • 076982828565
  • QQ客服
  • 微信二维码