page contents Type C 16Pin加高型SMD,L=8mm,垫高4.3mm,CH=5.9,20106030-东莞市世宝电子有限公司 官网|连接器|连接线|CIB ELE
首页    Type C    母座垫高    Type C 16Pin加高型SMD,L=8mm,垫高4.3mm,CH=5.9,20106030

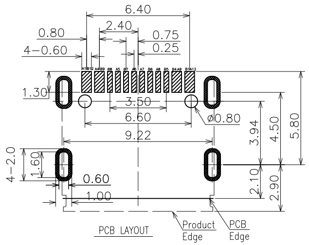
Type C 16Pin加高型SMD,L=8mm,垫高4.3mm,CH=5.9,20106030

CIB编号:20106030
产品料号:20106030

市场类似型号:Type C母座垫高16pin,L=8mm,CH-5.9

 


尺寸图(pdf):点击预览或下载
PCB图(dxf): 点击下载(密码请联系在线客服,或邮件索取)

规格书:点击下载
3D图:点击下载


Product  Specification

电气

 

Current Rating

3A/5A

Voltage Rating

100V

Contact Resistance

50m Ohms

Insulation Resistance

100M Ohms

Withstanding Voltage

500V AC

机械

 

Insertion Force

5~20N

Extraction Force

8~20N

Operating Temp

-20~+70℃

Durability Life

10000Cycles

材料

 

Metal

Copper Alloy/SUS

Plating

Gold/Sn

Plastic

LCP

  备注

1KPCS/Reel


产品卖点:此款Type C 16Pin垫高,有很多种垫高的高度和长度,供客户选择。

 

  • 回到顶部
  • 076982828565
  • QQ客服
  • 微信二维码