Type C 14P DIP180,L=8.2mm,20106038,21000204
CIB编号:20106038
产品料号:21000204
市场类似型号:Type C 14P母座,直插180度
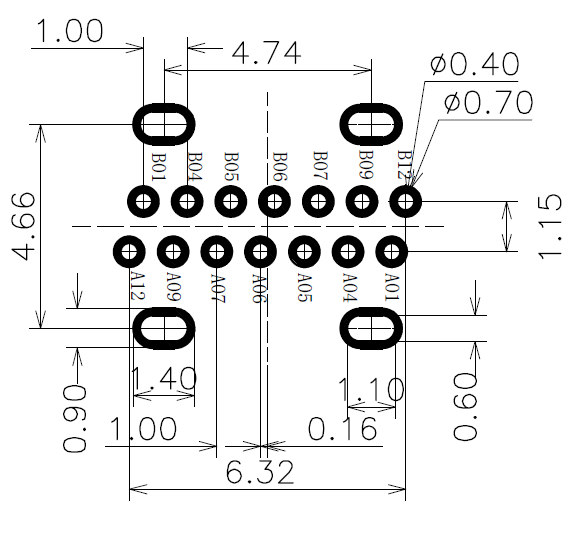
尺寸图(pdf):点击预览或下载
PCB图(dxf): 点击下载(密码请联系在线客服,或邮件索取)
规格书:点击下载
3D图:点击下载
Product Specification
|
电气 |
|
|
Current Rating |
5A |
|
Voltage Rating |
100V |
|
Contact Resistance |
50m Ohms |
|
Insulation Resistance |
100M Ohms |
|
Withstanding Voltage |
500V AC |
|
机械 |
|
|
Insertion Force |
5~20N |
|
Extraction Force |
8~20N |
|
Operating Temp |
-20~+70℃ |
|
Durability Life |
10000Cycles |
|
材料 |
|
|
Metal |
Copper Alloy/SUS |
|
Plating |
Gold/Sn |
|
Plastic |
LCP |
|
备注 |
1KPCS/Reel |
产品卖点:此款Type C母座,全自动机生产,性价比极高。
